: Il prodotto scelto è fuori produzione. Il Servizio Vendita Le consiglierà eventuali alternative e le ultime possibilità per poterlo ordinare..
Specifiche
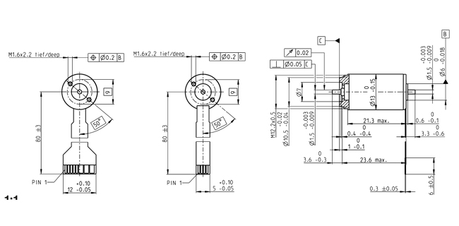
Disegno tecnico del prodotto
- Disegno quotato
Information: Drawings are not in scale.
| Valori con tensione nominale | |
| Tensione nominale | 6 V |
| Velocità a vuoto | 28800 rpm |
| Corrente a vuoto | 168 mA |
| Velocità nominale | 20200 rpm |
| Coppia nominale (coppia max. continuativa) | 2.23 mNm |
| Corrente nominale (corrente max. continuativa) | 1.31 A |
| Coppia di stallo | 7.79 mNm |
| Corrente di avvio | 4.08 A |
| Efficienza max. | 64 % |
| Dati caratteristici | |
| Resistenza ai terminali | 1.47 Ω |
| Induttanza ai terminali | 0.0206 mH |
| Costante di coppia | 1.91 mNm/A |
| Costante di velocità | 5000 rpm/V |
| Gradiente velocità/coppia | 3850 rpm/mNm |
| Costante di tempo meccanica | 7.83 ms |
| Inerzia del rotore | 0.194 gcm² |
| Dati termici | |
| Resistenza termica involucro-ambiente | 32 K/W |
| Resistenza termica avvolgimento-involucro | 2.46 K/W |
| Costante di tempo termica avvolgimento | 0.72 s |
| Costante di tempo termica motore | 188 s |
| Temperatura ambiente | -40...+100 °C |
| Temperatura max. avvolgimento | +155 °C |
| Dati meccanici | |
| Tipo di cuscinetto | Cuscinetti a sfere |
| Velocità max. permessa | 50000 rpm |
| Gioco assiale | 0 mm, in caso di carico radiale < 1.8 N |
| 0.05 mm, in caso di carico radiale > 1.8 N | |
| Carico assiale max. (dinamico) | 1.5 N |
| Forza max. di calettamento (statica) | 18 N |
| (statico, albero supportato) | 250 N |
| Carico radiale max. | 4 N, 5 mm dalla flangia |
| Altre specifiche | |
| Numero di paia poli | 1 |
| Numero di fasi | 3 |
| Numero di cicli in autoclave | 0 |
| Prodotto | |
| Peso | 19 g |
