Dettagli
EC-4pole 32 Ø32 mm, senza spazzole, 220 Watt, con sensori Hall | Heavy Duty
Codice articolo 397798
Contattare il nostro reparto di assistenza vendite con il modulo di richiesta. Grazie!
Specifiche
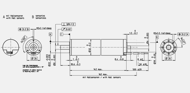
Disegno tecnico del prodotto
- Disegno quotato
Information: Drawings are not in scale.
| Valori con tensione nominale | |
| Tensione nominale | 48 V |
| Velocità a vuoto | 6470 rpm |
| Corrente a vuoto | 149 mA |
| Velocità nominale | 5720 rpm |
| Coppia nominale (coppia max. continuativa) | 334 mNm |
| Corrente nominale (corrente max. continuativa) | 4.8 A |
| Coppia di stallo | 3350 mNm |
| Corrente di avvio | 47.5 A |
| Efficienza max. | 89 % |
| Dati caratteristici | |
| Resistenza ai terminali | 1.01 Ω |
| Induttanza ai terminali | 0.298 mH |
| Costante di coppia | 70.5 mNm/A |
| Costante di velocità | 135 rpm/V |
| Gradiente velocità/coppia | 1.94 rpm/mNm |
| Costante di tempo meccanica | 2.6 ms |
| Inerzia del rotore | 128 gcm² |
| Dati termici | |
| Resistenza termica involucro-ambiente | 4 K/W |
| Resistenza termica avvolgimento-involucro | 0.53 K/W |
| Costante di tempo termica avvolgimento | 17 s |
| Costante di tempo termica motore | 1720 s |
| Temperatura ambiente | -55...+200 °C |
| Temperatura max. avvolgimento | +240 °C |
| Dati meccanici | |
| Velocità max. permessa | 12000 rpm |
| Gioco assiale | 0 mm, in caso di carico radiale < 20 N |
| 0.14 mm, in caso di carico radiale > 20 N | |
| Carico assiale max. (dinamico) | 16 N |
| Forza max. di calettamento (statica) | 80 N |
| (statico, albero supportato) | 3000 N |
| Carico radiale max. | 75 N, 5 mm dalla flangia |
| Altre specifiche | |
| Numero di paia poli | 2 |
| Numero di fasi | 3 |
| Numero di cicli in autoclave | 0 |
| Prodotto | |
| Peso | 860 g |
