Dettagli
EC 45 flat Ø45 mm, senza spazzole, 30 Watt, con elettronica integrata, con coperchio | Regolatore di velocità a un quadrante
Codice articolo 350909
: Il prodotto scelto è fuori produzione. Il Servizio Vendita Le consiglierà eventuali alternative e le ultime possibilità per poterlo ordinare..
Specifiche
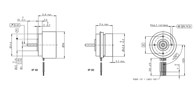
Disegno tecnico del prodotto
- Disegno quotato
Information: Drawings are not in scale.
| Valori con tensione nominale | |
| Tensione nominale | 24 V |
| Velocità a vuoto | 6000 rpm |
| Corrente a vuoto | 209 mA |
| Velocità nominale | 6000 rpm |
| Coppia nominale (coppia max. continuativa) | 80.3 mNm |
| Corrente nominale (corrente max. continuativa) | 2.65 A |
| Coppia di stallo | 111 mNm |
| Corrente di avvio | 4.41 A |
| Efficienza max. | 79 % |
| Dati caratteristici | |
| Variabile di controllo | Velocità |
| Resistenza ai terminali | 0.201 Ω |
| Induttanza ai terminali | 0.322 mH |
| Costante di coppia | 25.1 mNm/A |
| Costante di velocità | 380 rpm/V |
| Gradiente velocità/coppia | 3.04 rpm/mNm |
| Costante di tempo meccanica | 4.3 ms |
| Inerzia del rotore | 135 gcm² |
| Riferimento di velocità in ingresso | 0.33..10.8 |
| Scalatura ingresso riferimento velocità | 600 rpm/V |
| Intervallo di velocità | 200..6480 |
| Dati termici | |
| Resistenza termica involucro-ambiente | 5.6 K/W |
| Resistenza termica avvolgimento-involucro | 7.68 K/W |
| Costante di tempo termica avvolgimento | 18.3 s |
| Costante di tempo termica motore | 280 s |
| Temperatura ambiente | -40...+85 °C |
| Temperatura max. avvolgimento | +125 °C |
| Dati meccanici | |
| Tipo di cuscinetto | Cuscinetti a sfere |
| Velocità max. permessa | 6480 rpm |
| Gioco assiale | 0 mm, in caso di carico radiale < 7 N |
| 0.14 mm, in caso di carico radiale > 7 N | |
| Carico assiale max. (dinamico) | 6.8 N |
| Forza max. di calettamento (statica) | 95 N |
| (statico, albero supportato) | 1000 N |
| Carico radiale max. | 55 N, 5 mm dalla flangia |
| Altre specifiche | |
| Numero di paia poli | 8 |
| Numero di fasi | 3 |
| Numero di cicli in autoclave | 0 |
| Prodotto | |
| Peso | 226 g |
